
®
Z1203 thru Z1207
INSTALLATION INSTRUCTIONS
Form # C9 Date: 05/13/11 C.N. No. 121287 Rev. F
Page 1 of 2
ZURN INDUSTRIES, LLC
♦♦
♦♦
♦ SPECIFICATION DRAINAGE OPERATION
♦♦
♦♦
♦ 1801 Pittsburgh Ave.
♦♦
♦♦
♦ Erie, PA 16514
Phone: 814/455-0921
♦♦
♦♦
♦ Fax: 814/454-7929
♦♦
♦♦
♦ World Wide Web: www.zurn.com
In Canada: ZURN INDUSTRIES LIMITED
♦♦
♦♦
♦ 3544 Nashua Drive
♦♦
♦♦
♦ Mississauga, Ontario L4V1L2
♦♦
♦♦
♦ Phone: 905/405-8272 Fax: 905/405-1292
1
Lay out all necessary closet
fittings on floor. To obtain spacing
between units, place proper lengths of
pipe between adjoining fittings
(or use ZE-Series).
2
Lift lengths of pipe into place
between closet fittings and make
up joints being sure all faces of fittings
are parallel.
3
Roll entire assembly of connected
closet fittings and drainage pipe
180° so that the flat faces are facing
upward.
4
Place gasket on faces of fitting.
Bolt face plate ontofitting, making certain to hand-tighten the four bolts.
Beginning with the nearest fitting stack, locate top of large opening in face plate to
coincide with top of oval waterway in closet fitting. (The opening on successive
fittings should be located at successively lower positions to maintain proper
drainage pitch). Using wrench, tighten all bolts uniformly until gasket is sufficiently
compressed.
5
(Omit this step when installing non-adjustable ZF carrier)
Adjust and secure feet on each faceplate, to bring closet outlet to desired
closet height.
6
Roll entire assembly 90° forward onto feet, move into position, level, align,
and make stack connection. Check to be sure closet outlets are in correct
position and true. Secure feet to floor using rear slots (slots on fitting side of foot,
not coupling side) and 1/2 [13] bolts (supplied by others).
6a
(Omit this step when installing double carrier)
At this point, install the rear anchor foot assembly. To assemble, screw
stud into cast foot and secure with locknut, attach top of stud to anchoring lug on
backside of carrier using locknuts and washers, then securely fasten cast foot to
floor using 1/2 [13] bolts (supplied by others).
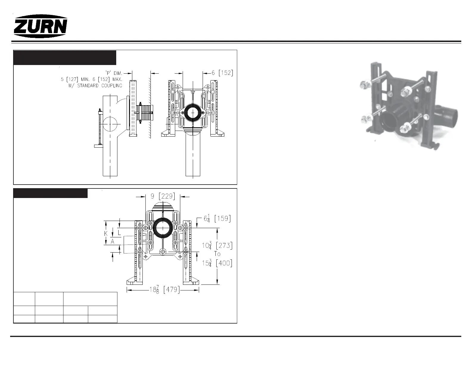
Note:
For concealed flush valves
and wall closets with rear
inlet supply, face plate
must be located behind
supply line to prevent
interference of face plate
with supply line.
Rigid Blow Out System
AK L
I.P.S. Min. Max.
4 [102] 6 1/8 [156] 2 [51] 4 1/4 [108]
5 [127] 6 5/8 [168] 1 1/2 [38] 3 3/4 [95]
* Min. "P" Dim = 2 [51]
Flange is tapped to receive
3/8 [10] studs as required for
floor style back outlet closet.
All necessary 3/8 [10] studs,
nuts, washers and chrome
plate trim are furnished with
assembly.
-F Option
Floor Style Back Outlet Closet System